ZSMX Series Square Drive Wrenches
The ZSMX Series Square Drive Hydraulic Wrenches are powerful, high-precision tools for tightening and loosening large fasteners in demanding industrial environments. These wrenches feature a modular square drive design, ensuring compatibility with various sockets to handle various bolt sizes and torque requirements. The ZSMX series is ideal for applications where controlled torque is critical, such as in construction, manufacturing, oil and gas, and heavy machinery maintenance.
Key Features
- High Torque Output: Capable of delivering high levels of torque to easily handle the toughest bolting jobs.
- Interchangeable Square Drive: Modular design supports multiple square drive sizes, making the wrench versatile for various socket types and bolt dimensions.
- Compact and Lightweight: Designed to fit into tight spaces without compromising performance, making it ideal for applications in confined areas.
- Precision Hydraulic Operation: This operation uses hydraulic pressure to deliver consistent torque output, ensuring uniform bolt tightening or loosening.
- Durable Construction: Manufactured from high-strength materials, offering superior durability and resistance to wear and corrosion.
- 360-Degree Swivel Coupling: Flexible hydraulic hose connections allow easy maneuverability, preventing hose tangles and ensuring smoother operations.
- Anti-Reverse Mechanism: Prevents unintentional loosening, maintaining the tool’s torque settings during operation.
- Safety Features: Equipped with overload protection to prevent damage to the tool and injury to the operator.
Applications
- Oil & Gas Industry: Ideal for flange bolting and maintenance of pipelines, rigs, and refineries.
- Power Generation: Used for bolting operations in power plants, turbines, and steam equipment.
- Heavy Machinery Maintenance: This position facilitates the assembly and disassembly of heavy equipment, such as cranes, excavators, and mining machines.
- Shipbuilding and Marine: Ensures precise tightening of bolts on vessels and offshore platforms.
- Structural Construction: Perfect for high-torque fastening of steel structures, bridges, and heavy frames.
Benefits
- High Accuracy: Provides reliable torque output, reducing the risk of bolt fatigue or failure due to improper tightening.
- Increased Efficiency: The hydraulic operation speeds up bolting tasks, saving time and labor costs.
- Versatility: Supports various drive sizes and sockets, making it suitable for different applications and bolt types.
- Ergonomic Design: Lightweight and easy to handle, reducing operator fatigue during prolonged use.
- Durability in Harsh Environments: Withstands extreme working conditions, ensuring long-term performance and reliability.
- Easy Maintenance: Designed for quick disassembly, making repairs and servicing straightforward.
The ZSMX Series Square Drive Hydraulic Wrenches are the perfect solution for industries requiring precise, high-torque bolting operations. Their versatility, compact design, and robust performance make them an essential tool for professionals working in heavy industries where safety, reliability, and precision are paramount.
Lightweight High Power Wrench for Sockets or Allen-key
- Dual Pawl Mechanism-Heavy duty.
- 360-degree Reaction Arm-Easy to work in any position.
- One-way Ratchet is the only way to ensure hands-free and multi-tool operation.
- Aviation material Body housing-Aluminum-Titaniumalloy and high strength steel.
- Anti-rust Finish-Special surface treatment.
- Small Operating Radius.
- “Drop Hole” will protect against overpressure operating.
Torque Accuracy ±3%
Repeatability 100%


Reaction Pawl
Prevent ratchet reverse

WARNING

Warning: the wrong coupler is connected or overpressure, which leaks oil.


| Model Number | Square Drive | Min. Torque | Max. Torque | Bolt size | Motor | |||
| inch | lbf. ft | N.m | lbf. ft | N.m | mm | lb | kg | |
| ZSMX-1 | 3/4 | 201 | 273 | 1409 | 1911 | 16-36 | 5.29 | 2.4 |
| ZSMX-3 | 1 | 475 | 645 | 3328 | 4512 | 22-48 | 11.34 | 5.35 |
| ZSMX-5 | 1-1/2 | 810 | 1099 | 5672 | 7690 | 27-56 | 19.5 | 9.08 |
| ZSMX-8 | 1-1/2 | 1136 | 1540 | 6951 | 10780 | 30-64 | 28.2 | 13.97 |
| ZSMX-10 | 1-1/2 | 1670 | 2264 | 11688 | 14847 | 36-72 | 35.9 | 16 |
| ZSMX-20 | 2-1/2 | 2864 | 3883 | 20049 | 27183 | 42-90 | 66.98 | 30.41 |
| ZSMX-25 | 2-1/2 | 3659 | 4961 | 25611 | 34725 | 48-100 | 85.9 | 39 |
| ZSMX-35 | 2-1/2 | 5376 | 7289 | 37632 | 51022 | 64-120 | 95.15 | 43.2 |
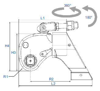
| Model Number | Square Drive | L1 | L2 | H1 | H2 | ||||
| inch | inch | mm | inch | mm | inch | mm | inch | mm | |
| ZSMX-1 | 3/4 | 4.92 | 125 | 7.56 | 192 | 1.96 | 50 | 2.8 | 71 |
| ZSMX-3 | 1 | 6.35 | 161 | 9.58 | 243 | 2.63 | 66.8 | 3.7 | 94 |
| ZSMX-5 | 1-1/2 | 8.22 | 209 | 10.63 | 270 | 3.14 | 80 | 4.8 | 122 |
| ZSMX-8 | 1-1/2 | 8.74 | 222 | 11.57 | 294 | 3.54 | 90 | 5.11 | 130 |
| ZSMX-10 | 1-1/2 | 9.56 | 243 | 14.52 | 369 | 3.93 | 100 | 5.67 | 144 |
| ZSMX-20 | 2-1/2 | 12.2 | 310 | 15.24 | 387 | 4.72 | 120 | 7.2 | 183 |
| ZSMX-25 | 2-1/2 | 12.99 | 330 | 16.06 | 408 | 5.38 | 136.6 | 7.83 | 198.9 |
| ZSMX-35 | 2-1/2 | 13.89 | 353 | 21.22 | 539 | 5.81 | 147.8 | 8.62 | 218.7 |
| Model Numbe | H3 | H4 | R1 | R2 | ||||
| inch | mm | inch | mm | inch | mm | inch | mm | |
| ZSMX-1 | 2.8 | 71 | 5.13 | 130.5 | 0.97 | 24.7 | 4.48 | 113.7 |
| ZSMX-3 | 3.7 | 94 | 6.52 | 165.7 | 1.29 | 33 | 5.26 | 133.7 |
| ZSMX-5 | 4.8 | 122 | 7.62 | 193.5 | 1.53 | 39 | 5.47 | 139 |
| ZSMX-8 | 5.11 | 130 | 8.61 | 218.6 | 1.85 | 47 | 6.02 | 153 |
| ZSMX-10 | 5.67 | 144 | 9.08 | 230.7 | 1.95 | 49.7 | 7.94 | 202 |
| ZSMX-20 | 7.2 | 183 | 10.71 | 272 | 2.32 | 59 | 7.32 | 186 |
| ZSMX-25 | 7.83 | 198.9 | 11.77 | 299 | 2.59 | 66 | 7.79 | 198 |
| ZSMX-35 | 8.62 | 218.7 | 12.35 | 313.9 | 2.98 | 75.7 | 12.68 | 322.1 |



Reaction arm small tooth orientation
Fixed Button
Small tooth driver
| SMX Series Torque Conversion Chart | ||||||||||
| Work pressure | ZSMX-1 | ZSMX-3 | ZSMX-5 | |||||||
| psi | bar | lbf.ft | kgf.m | N.n | lbf.ft | kgf.m | N.n | lbf.ft | kgf.m | N.n |
| 1450 | 100 | 201 | 28 | 273 | 475 | 66 | 645 | 810 | 112 | 1099 |
| 1740 | 120 | 242 | 33 | 328 | 571 | 79 | 774 | 972 | 134 | 1318 |
| 2031 | 140 | 282 | 39 | 382 | 666 | 92 | 902 | 1134 | 157 | 1538 |
| 2321 | 160 | 322 | 45 | 437 | 761 | 105 | 1031 | 1296 | 179 | 1758 |
| 2611 | 180 | 362 | 50 | 491 | 856 | 118 | 1160 | 1459 | 202 | 1977 |
| 2901 | 200 | 403 | 56 | 546 | 951 | 131 | 1289 | 1621 | 224 | 2197 |
| 3191 | 220 | 443 | 61 | 601 | 1046 | 145 | 1418 | 1783 | 246 | 2417 |
| 3481 | 240 | 483 | 67 | 655 | 1141 | 158 | 1547 | 1945 | 269 | 2637 |
| 3771 | 260 | 524 | 72 | 710 | 1236 | 171 | 1676 | 2107 | 291 | 2856 |
| 4061 | 280 | 564 | 78 | 761 | 1331 | 184 | 1805 | 2269 | 314 | 3076 |
| 4351 | 300 | 604 | 84 | 819 | 1426 | 197 | 1934 | 2431 | 336 | 3296 |
| 4641 | 320 | 644 | 89 | 874 | 1521 | 210 | 2063 | 2593 | 358 | 3515 |
| 4931 | 340 | 685 | 95 | 928 | 1616 | 223 | 2192 | 2755 | 381 | 3735 |
| 5221 | 360 | 725 | 100 | 983 | 1712 | 237 | 2321 | 2917 | 403 | 3955 |
| 5511 | 380 | 765 | 106 | 1037 | 1807 | 250 | 2449 | 3079 | 426 | 4175 |
| 5802 | 400 | 805 | 111 | 1092 | 1902 | 263 | 2578 | 3241 | 448 | 4394 |
| 6092 | 420 | 846 | 117 | 1147 | 1997 | 276 | 2707 | 3403 | 471 | 4614 |
| 6382 | 440 | 886 | 122 | 1201 | 2092 | 289 | 2836 | 3565 | 493 | 4834 |
| 6672 | 460 | 926 | 128 | 1256 | 2187 | 302 | 2965 | 3727 | 515 | 5054 |
| 6962 | 480 | 966 | 134 | 1310 | 2282 | 316 | 3094 | 3889 | 538 | 5273 |
| 7252 | 500 | 1007 | 139 | 1365 | 2377 | 329 | 3223 | 4051 | 560 | 5493 |
| 7542 | 520 | 1047 | 145 | 1420 | 2472 | 342 | 3352 | 4213 | 583 | 5713 |
| 7832 | 540 | 1087 | 150 | 1474 | 2567 | 355 | 3481 | 4376 | 605 | 5932 |
| 8122 | 560 | 1128 | 156 | 1529 | 2662 | 368 | 3610 | 4538 | 627 | 6152 |
| 8412 | 580 | 1168 | 161 | 1583 | 2757 | 381 | 3739 | 4700 | 650 | 6372 |
| 8702 | 600 | 1208 | 167 | 1638 | 2853 | 394 | 3868 | 4862 | 672 | 6592 |
| 8992 | 620 | 1248 | 173 | 1693 | 2948 | 408 | 3997 | 5024 | 695 | 6811 |
| 9282 | 640 | 1289 | 178 | 1747 | 3043 | 421 | 4125 | 5186 | 717 | 7031 |
| 9572 | 660 | 1329 | 184 | 1802 | 3138 | 434 | 4254 | 5348 | 739 | 7251 |
| 9863 | 680 | 1369 | 189 | 1856 | 3233 | 447 | 4383 | 5510 | 762 | 7470 |
| 10153 | 700 | 1409 | 195 | 1911 | 3328 | 460 | 4512 | 5672 | 784 | 7690 |
| SMX Series Torque Conversion Chart | ||||||||||
| Work pressure | ZSMX-8 | ZSMX-10 | ZSMX-20 | |||||||
| psi | bar | lbf.ft | kgf.m | N.n | lbf.ft | kgf.m | N.n | lbf.ft | kgf.m | N.n |
| 1450 | 100 | 1136 | 157 | 1540 | 1670 | 231 | 2264 | 2864 | 396 | 2883 |
| 1740 | 120 | 1363 | 188 | 1848 | 2004 | 277 | 2717 | 3437 | 475 | 4660 |
| 2031 | 140 | 1590 | 220 | 2156 | 2338 | 323 | 3169 | 4010 | 554 | 5437 |
| 2321 | 160 | 1817 | 251 | 2464 | 2672 | 369 | 3622 | 4583 | 634 | 6213 |
| 2611 | 180 | 2044 | 283 | 2772 | 3006 | 416 | 4075 | 5155 | 713 | 6990 |
| 2901 | 200 | 2272 | 314 | 3080 | 3339 | 462 | 4528 | 5728 | 792 | 7766 |
| 3191 | 220 | 2499 | 345 | 3388 | 3673 | 508 | 4980 | 6301 | 871 | 9543 |
| 3481 | 240 | 2726 | 377 | 3696 | 4007 | 554 | 5433 | 6874 | 950 | 9320 |
| 3771 | 260 | 2953 | 408 | 4004 | 4341 | 600 | 5886 | 7447 | 1030 | 10096 |
| 4061 | 280 | 3180 | 440 | 4312 | 4675 | 646 | 6339 | 8020 | 1109 | 10873 |
| 4351 | 300 | 3407 | 471 | 4620 | 509 | 693 | 6792 | 8592 | 1188 | 11650 |
| 4641 | 320 | 3635 | 503 | 4928 | 5343 | 739 | 7244 | 9165 | 1267 | 12426 |
| 4931 | 340 | 3862 | 534 | 5236 | 5677 | 785 | 7697 | 9738 | 1346 | 13203 |
| 5221 | 360 | 4089 | 565 | 5544 | 6011 | 831 | 8150 | 10311 | 1426 | 13980 |
| 5511 | 380 | 4316 | 597 | 5852 | 6345 | 877 | 8603 | 10884 | 1505 | 14756 |
| 5802 | 400 | 4543 | 628 | 6160 | 6679 | 923 | 9055 | 11457 | 1584 | 15533 |
| 6092 | 420 | 4770 | 660 | 6468 | 7013 | 970 | 9508 | 12029 | 1663 | 16310 |
| 6382 | 440 | 4998 | 691 | 6776 | 7347 | 1016 | 9961 | 12602 | 1742 | 17086 |
| 6672 | 460 | 5225 | 722 | 7084 | 7681 | 1062 | 10414 | 13175 | 1822 | 17863 |
| 6962 | 480 | 5452 | 754 | 7392 | 8015 | 1108 | 10866 | 13748 | 1901 | 18640 |
| 7252 | 500 | 5679 | 785 | 7700 | 8349 | 1154 | 11319 | 14321 | 1980 | 19416 |
| 7542 | 520 | 5906 | 817 | 8008 | 8683 | 1200 | 11772 | 14893 | 2059 | 20193 |
| 7832 | 540 | 6133 | 848 | 8316 | 9017 | 1247 | 12225 | 15466 | 2138 | 20969 |
| 8122 | 560 | 6361 | 879 | 8624 | 9350 | 1293 | 12678 | 16039 | 2217 | 21746 |
| 8412 | 580 | 6588 | 911 | 8932 | 9684 | 1339 | 13130 | 16612 | 2297 | 22523 |
| 8702 | 600 | 6815 | 942 | 9240 | 10018 | 1385 | 13583 | 17185 | 2376 | 23299 |
| 8992 | 620 | 7042 | 974 | 9548 | 10352 | 1431 | 14036 | 17758 | 2455 | 24076 |
| 9282 | 640 | 7269 | 1005 | 9856 | 10686 | 1477 | 14489 | 18330 | 2534 | 24853 |
| 9572 | 660 | 7496 | 1036 | 10164 | 11020 | 1524 | 14941 | 18903 | 2613 | 25629 |
| 9863 | 680 | 7724 | 1058 | 10472 | 11354 | 1570 | 15394 | 19476 | 2693 | 26406 |
| 10153 | 700 | 7951 | 1099 | 10780 | 11688 | 1616 | 15847 | 2049 | 2772 | 27183 |
| SMX Series Torque Conversion Chart | |||||||
| Work pressure | ZSMX-25 | ZSMX-35 | |||||
| psi | bar | lbf.ft | kgf.m | N.n | lbf.ft | kgf.m | N.n |
| 1450 | 100 | 3659 | 506 | 4961 | 5376 | 743 | 7289 |
| 1740 | 120 | 4391 | 607 | 5953 | 6451 | 892 | 8747 |
| 2031 | 140 | 5122 | 708 | 6945 | 7526 | 1041 | 10204 |
| 2321 | 160 | 5854 | 809 | 7937 | 8601 | 1189 | 11662 |
| 2611 | 180 | 6586 | 911 | 8929 | 9677 | 1338 | 13120 |
| 2901 | 200 | 7318 | 1012 | 9921 | 10752 | 1486 | 14578 |
| 3191 | 220 | 8049 | 1113 | 10913 | 11827 | 1635 | 16035 |
| 3481 | 240 | 8781 | 1214 | 11906 | 12902 | 1784 | 17493 |
| 3771 | 260 | 9513 | 1315 | 12898 | 13977 | 1932 | 18951 |
| 4061 | 280 | 10245 | 1416 | 13890 | 15053 | 2081 | 20409 |
| 4351 | 300 | 10976 | 1518 | 14882 | 16128 | 2230 | 21866 |
| 4641 | 320 | 11708 | 1619 | 15874 | 17203 | 2378 | 23324 |
| 4931 | 340 | 12440 | 1720 | 16866 | 18278 | 2527 | 24782 |
| 5221 | 360 | 13172 | 1821 | 17858 | 19353 | 2676 | 26240 |
| 5511 | 380 | 13903 | 1922 | 18850 | 20429 | 2824 | 27697 |
| 5802 | 400 | 14635 | 2023 | 19843 | 21504 | 2973 | 29155 |
| 6092 | 420 | 15367 | 2125 | 20835 | 22579 | 3122 | 30613 |
| 6382 | 440 | 16099 | 2226 | 21827 | 23654 | 3270 | 32071 |
| 6672 | 460 | 16830 | 2327 | 22819 | 24729 | 3419 | 33528 |
| 6962 | 480 | 17562 | 2428 | 23811 | 25804 | 3568 | 34986 |
| 7252 | 500 | 18294 | 2529 | 24803 | 26880 | 3716 | 36444 |
| 7542 | 520 | 19026 | 2630 | 25795 | 27955 | 3865 | 37902 |
| 7832 | 540 | 19757 | 2732 | 26787 | 29030 | 4014 | 39359 |
| 8122 | 560 | 20489 | 2833 | 27780 | 30105 | 4162 | 40817 |
| 8412 | 580 | 21221 | 2934 | 28772 | 31180 | 4311 | 42275 |
| 8702 | 600 | 21953 | 3035 | 29764 | 32256 | 4459 | 43733 |
| 8992 | 620 | 22684 | 3136 | 30756 | 33331 | 4608 | 45190 |
| 9282 | 640 | 23416 | 3237 | 31748 | 34406 | 4757 | 46648 |
| 9572 | 660 | 24148 | 3339 | 32740 | 35481 | 4905 | 48106 |
| 9863 | 680 | 24880 | 3440 | 33732 | 36556 | 5054 | 49564 |
| 10153 | 700 | 25611 | 3541 | 34725 | 37632 | 5203 | 51022 |




1. High-strength Aluminum Alloy Housing
The ZSMX series housing is processed from a solid block of 7075 AQ Aluminum with an anti-rust finish and special surface treatment.

2. Strong piston Assembly
Smooth leakproof functioning of enclosed alloy steel piston and single seal provides required torque.

3. Driving Segment
Ensures the tool will never lock up.

4. Anti-Back & Lock
Allows hands-free working.

5. Laser Engraved Torque Chart
The two-sided shroud is laser engraved with the torque chart for the ZSMX series.

6. Multi-Tooth Driving & Ratchet Assembly
Strong strength, high accuracy, and best speed.

7. Drive Plate
High-strength alloy drive plate for maximum life.
Allows small nose radius for the tool.

8. Square Driving
“Push through” Square Drive that quickly pushes through to switch from loosens to tighten.

9. Direct Housing Reaction
Allows use without reaction arm.

10. Steel Reaction Boot
Replaceable pad allowing on-site changeover.
Protects costly replacement of reaction arm.

11. Long Length Reaction Arm
Long-length reaction arm allows multi-positioning.
Allows taking reaction on most applications.

12. Reaction Arm Release Button
Housed within the reaction arm as a safety feature, protecting the arm from accidental disengagement.

13. 360°*180° Swivel-Hose-Free Operation

